Dada  Dołączył: 01 Mar 2007
teta napisał/a:
wyzwala się nawet bez baterii
No to sprawdź, czy Ci sie otwiera. :-P
 

dern  Dołączył: 29 Paź 2009
teta napisał/a:
w MES migawka wyzwala się nawet bez baterii

tak, ale tylko z czasem 1/125s bo to jedyny czas mechaniczny w MESie, reszta jest sterowana elektronicznie

Dada napisał/a:
Widziałem chyba tylko 3 lub 4 ME Superki ze sprawnym wskaźnikiem.

O, a u mnie działa :mrgreen:
 
teta  Dołączył: 28 Kwi 2006
Dada, Sprawdziłem, otwiera się. Bardzo się otwiera :-P dern, Czas B też działa :-) , ale on to też ręczny.
 
potokowiec  Dołączył: 28 Lut 2011
michal5150 napisał/a:
Otwórz pokrywę i zobacz jak wyglądają kurtynki migawki.
Tak wyglądają kiedy migawka jest naciągnięta:
[url=http://img685.images...eta.jpg]Obrazek[/URL]
A tak kiedy wyzwolona:
[url=http://img215.images...ona.jpg]Obrazek[/URL]


Niestety sprawdzałem migawka jest zwolniona. Przyznaje że jestem w kropce i nie wiem co z tym fantem począć .
 

plwk  Dołączył: 21 Kwi 2006
Miałem kiedyś taki problem w ME. Pomogło odkręcenie i ponowne przykręcenie dźwigni naciągu. Nie mam pojęcia dlaczego ale zadziałało.
 

jorge.martinez  Dołączył: 16 Maj 2007
Twardy reset :-)
 
potokowiec  Dołączył: 28 Lut 2011
Wracając do tematu mojego nieszczęsnego ME Sper.
Odkręciłem dolny panel i nic sie w dalszym ciągu nie dzieje , niestety.
Sprawa druga , lustro jest do połowy podniesione .
Rzućcie mi proszę jeszcze jakiś pomysł , który może w jakiś sposób rozwiązać problem , zanim oddam go do fachowca. Cały czas liczę się z możliwością przerośnięcia kosztów ponad wartość tej puszki.
 

jorge.martinez  Dołączył: 16 Maj 2007
potokowiec, a co z bateriami? Wyczerpało się? W jakim trybie masz aparat? A?
 
potokowiec  Dołączył: 28 Lut 2011
jorge.martinez napisał/a:
potokowiec, a co z bateriami? Wyczerpało się? W jakim trybie masz aparat? A?


Baterie są ok. Aparat jest w pozycji M.
 

piotrecius  Dołączył: 31 Gru 2006
Oj, jak lustro podniesione jest do połowy to raczej jakaś grubsza sprawa :-/ .
 
Hotbird  Dołączył: 15 Paź 2011
Witam ja mam taki problem z moim chociaż nie wiem może tak musi być, ale gdy jest w pozycji A i pociągam za dźwignie naciągu i ja puszczam to tak jakby robi samemu zdjęcie w tym momencie
 

wulfel  Dołączył: 12 Sty 2009
Patrząc na fotki kol.michal5150 w moim ME Super migawka nie jest do końca wyzwolona



jak się do tego zabrać,dolny dekielek to nie problem,z górnym trochę gorzej,jak odkręcić czarne kółko trybów pracy :?: dalej zobaczymy co tam widać.Traktuję to jako poligon doświadczalny,uda się to dobrze nie to będzie dawca.
 

piotrecius  Dołączył: 31 Gru 2006
Do odkręcenia czarnego kółka trybów pracy potrzebne jest specjalne narzędzie. Można je sobie zrobić np z dwóch gwoździków wbitych w listewkę - z odpowiednio dobranym rozstawem. Tak - żeby po przyłożeniu listewki do kółka wystające z niej gwoździki trafiały w dwa rowki w pierścieniu wokół spustu migawki. Odkręca się to normalnie - czyli kręcąc przeciwnie do ruchu wskazówek zegara.

Znad wajchy naciągu odkręca się zaślepkę przykładając np. gumkę do mazania - uwaga - odkręca się ją nienormalnie - zgodnie z ruchem wskazówek zegara. Pod nią jest nakrętka właściwa, którą (z tego co pamiętam) również odkręca się w prawo.

[ Dodano: 2011-10-30, 00:36 ]
Tylko jak już zdejmiesz pokrywę nie przeraź się ilością bebeszków :-P

 

michal5150  Dołączył: 17 Sie 2007
Ja nie sugerowałbym się położeniem listków migawki, tylko naświetlił jedną kliszę na próbę. Bo może okazać się że wszystko jest ok i niepotrzebne będzie rozbieranie aparatu.
 

Rudy  Dołączył: 04 Wrz 2011
michal5150 napisał/a:
Ja nie sugerowałbym się położeniem listków migawki, tylko naświetlił jedną kliszę na próbę. Bo może okazać się że wszystko jest ok i niepotrzebne będzie rozbieranie aparatu.


W jaki sposób chcesz naświetlić kiszę jak migawka nie działa?
 

michal5150  Dołączył: 17 Sie 2007
A skąd wiesz że nie działa?
wufel napisał/a:
Patrząc na fotki kol.michal5150 w moim ME Super migawka nie jest do końca wyzwolona

Z tego co wufel pisze to wnioskuję że migawkę da się naciągnąć, ale kolega sugerując się moim zdjęciem, doszedł do wniosku że nie zamyka się do końca bo lamelki są w nieco innym położeniu.
 

wulfel  Dołączył: 12 Sty 2009
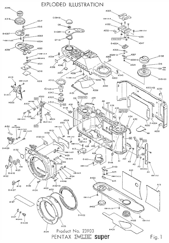
Dzięki za zainteresowanie,niestety naciąg zablokowany,lustro też jest zablokowane u góry,można je opuścić pociągając w dół dźwignię po lewej stronie patrząc od przodu ale po puszczeniu tej dźwigni lustro wraca do góry.Poczytałem wcześniej o bateriach (kupiłem nowe SR44) o kruszącej się gąbce i innych poradach dotyczących zablokowanego lustra,naciągu.Odkręciłem dolny dekiel i próbowałem poruszać dźwigniami ale bez rezultatów,sprężynki są całe,może ta niedomknięta migawka ma coś wspólnego z brakiem zasilania(ktoś pisał o cieniutkich kabelkach). Po opuszczeniu lustra patrzyłem w wizjer naciskając spust migawki i nic tam się nie podświetlało więc spróbuję to rozebrać sprawdzić zasilanie,problem w tym że nie mogę nigdzie znaleźć instrukcji krok po roku jak się do tego zabrać oczywiście mogę rozkręcać wszystko po kolei z nietypowymi narzędziami jak kol.piotrecius nie ma problemu chodzi o zachowanie jakiejś kolejności.Chciałbym naprawić to body a nie zrobić z niego dawcę :-) ,dzięki za fotkę z częściami składowymi.
 

plwk  Dołączył: 21 Kwi 2006
 

wulfel  Dołączył: 12 Sty 2009
Dzięki plwk pomału będę sobie kompletował narzędzia i pewnie po wszystkich świętych zacznę coś robić,wczoraj nie znalazłem nawet odpowiedniej gumy żeby odkręcić dźwignię naciągu o tym też ktoś tu wspominał.
 

Stachu  Dołączył: 27 Kwi 2007
wufel napisał/a:
ie znalazłem nawet odpowiedniej gumy żeby odkręcić dźwignię naciągu

Wystarczy gumka do ścierania albo kawałek dętki.

Nie pamiętam w jakim to było aparacie, ale jak coś się namieszało (naciąganie przy wciśniętym spuście chyba, albo złe włożenie klatki lustra do reszty aparatu...), to migawka była naciągnięta i spust jej nie wyzwalał. Wystarczyło czymś nacisnąć dźwignię wyzwalającą, która jest gdzie głębiej, i wszystko wracało do normy.
Coś takiego mi świta.

Wyświetl posty z ostatnich:
Skocz do:
Nie możesz pisać nowych tematów
Nie możesz odpowiadać w tematach
Nie możesz zmieniać swoich postów
Nie możesz usuwać swoich postów
Nie możesz głosować w ankietach